產品名稱:
日本英管外螺紋60°外錐 / 英錐管外螺紋 90
產品系列搜索
請選擇您想要尋找的相關產品系列
產品描述

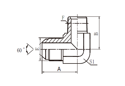
| 訂貨號 | 螺 紋 | 尺 寸 | ||||
| E | F | A | B | S1 | ||
| AS4-02/9 | G1/8"X28 | R1/8"X28 | 21.8 | 21 | 11 | |
| AS4-02-04/9 | G1/8"X28 | R1/4"X19 | 24.3 | 25.5 | 14 | |
| AS4-04/9 | G1/4"X19 | R1/4"X19 | 29 | 25.5 | 14 | |
| AS4-04-02/9 | G1/4"X19 | R1/8"X28 | 29 | 23.5 | 14 | |
| AS4-04-06/9 | G1/4"X19 | R3/8"X19 | 30 | 28.5 | 16 | |
| AS4-06/9 | G3/8"X19 | R3/8"X19 | 31.5 | 28.5 | 16 | |
| AS4-06-04/9 | G3/8"X19 | R1/4"X19 | 31.5 | 26.5 | 16 | |
| AS4-06-08/9 | G3/8"X19 | R1/2"X14 | 36 | 36 | 22 | |
| AS4-08/9 | G1/2"X14 | R1/2"X14 | 38 | 36 | 22 | |
| AS4-08-06/9 | G1/2"X14 | R3/8"X19 | 38 | 32.5 | 22 | |
| AS4-08-12/9 | G1/2"X14 | R3/4"X14 | 41 | 43.5 | 27 | |
| AS4-12/9 | G3/4"X14 | R3/4"X14 | 43 | 43.5 | 27 | |
| AS4-12-08/9 | G3/4"X14 | R1/2"X14 | 43 | 39.5 | 27 | |
| AS4-12-16/9 | G3/4"X14 | R1"X11 | 47 | 50 | 33 | |
| AS4-16/9 | G1"X11 | R1"X11 | 48.5 | 50 | 33 | |
| AS4-20/9 | G1.1/4"X11 | R1.1/4"X11 | 57 | 56.5 | 41 | |
| AS4-24/9 | G1.1/2"X11 | R1.1/2"X11 | 61 | 62.5 | 48 | |
| AS4-32/9 | G2"X11 | R2"X11 | 73.2 | 74.2 | 63 | |